Разъемы низковольтного питания
.
Разъемы низковольтного питания





Разъемы питания штыревые.
Характеристики:
Материал: изолятора термопластик
контакта фосф. бронза, олово поверх никеля
Рабочее напряжение: 16В DC
Предельное: ток 2 А
напряжение 500В в течение 1 мин.
Сопротивление изолятора: не менее 100 Мом
Температурный диапазон: -25 - + 90 С
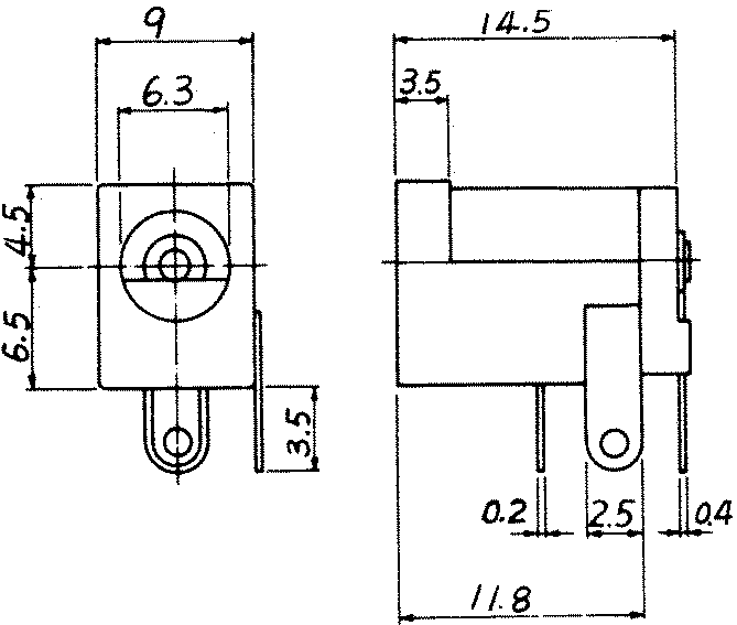
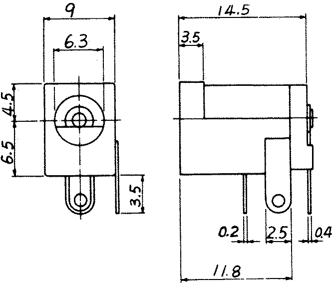
| Код для заказа | Описание | Внешний вид | Чертеж | Заказать |
| DJK-02A | Диаметр центрального контакта 2mm | ![]() |
|
|
| DJK-02B | Диаметр центрального контакта 2.4 mm | ![]() |
|
|
| DJK-03A | Диаметр центрального контакта для 2,0мм | |
|
|
| DJK-03B | Диаметр центрального контакта для 2,4мм | |
|
|
| DJK-10A | Диаметр центрального отверстия 2,1мм | |
|
|
| DJK-10B | Диаметр центрального отверстия 2,5мм | |
|
|
| DJK-11A | Диаметр центрального отверстия 2,1мм | |
|
|
| DJK-11B | Диаметр центрального отверстия 2,5мм | |
|
|
| DJK-11AL | Диаметр центрального отверстия 2,1мм | |
|
|
| DJK-11BL | Диаметр центрального отверстия 2,5мм | |
|
