WEO009664A – 0.95'' дюймовый Графический COG OLED модуль с разрешением 96x64 точки c шлейфом для пайки. Данный дисплей сделан на базе контроллера IC SSD1305 c поддержкой интерфейсов: параллельного 6800/8080 8-Бит, I2C и SPI интерфейса. Напряжение питания модуля 3V, 1/64 рабочий цикл; значение тока при засвете 50% площади индикатора составляет 6mA @12Vсс (типичное значение). WEO009664A может работать при температурах от -40°С до +80°С; а температура хранения - от -40°С до +85°С.
Видимая область OLED дисплея имеет диагональ 0,95 "и разрешение 96x64 пикселей, что очень удобно для применения в портативных устройствах, поскольку обладает высокой яркость, контрастностью, более широкими углами обзора и меньше потребляет тока, чем обычный ЖК-дисплей.
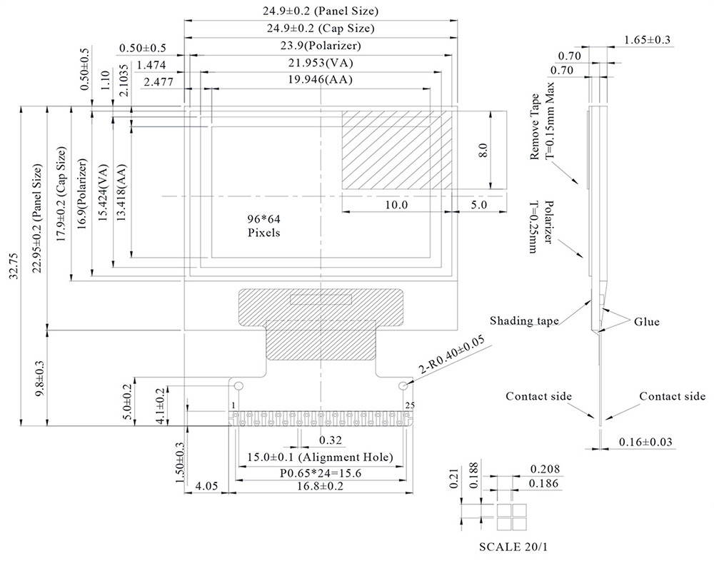
Ниже приведена основная спецификация:
| WEO009664A | Измерения |
|---|---|
| Разрешение | 96 x 64 точек |
| Габариты | 24.90 x 22.95 x 1.65 mm |
| Активная область | 19.946 x 13.418 mm |
| Размер пикселя | 0.186 x 0.188 mm |
| Шаг пикселя | 0.208 x 0.210 mm |
| Матрица | Пассивная OLED |
| Цвет дисплея | Желтый / Белый |
| Рабочий цикл | 1/64 Duty |
| IC | SSD1305 |
| Интерфейс | 6800,8080,SPI,I2C |
| Диагональ | 0.95 дюйма |
