WEO009632B – 0.68'' дюймовый Графический COG OLED модуль с разрешением 96x32 точки c шлейфом предназначенным для пайки на плату. Дисплей WEO009632B сделан на базе контроллера IC SSD1305 c поддержкой интерфейсов: параллельного 6800/8080 8-Бит, I2C и 4-х жильного SPI интерфейса. Напряжение питания 3V, 1/32 рабочий цикл; значение тока при засвете 50% площади индикатора составляет 6mA @12Vсс (типичное значение). Данный 0.68''-дюймовый ультратонкий и легкий OLED модуль идеально подходит для: приборов умного дома, измерительных приборов, приборов для личной гигиены, умных устройств, медицинских устройств и т.д.
WEO009632B может работать при температурах от -40°С до +80°С; а температура хранения - от -40°С до +85°С. Ниже приведена основная спецификация:
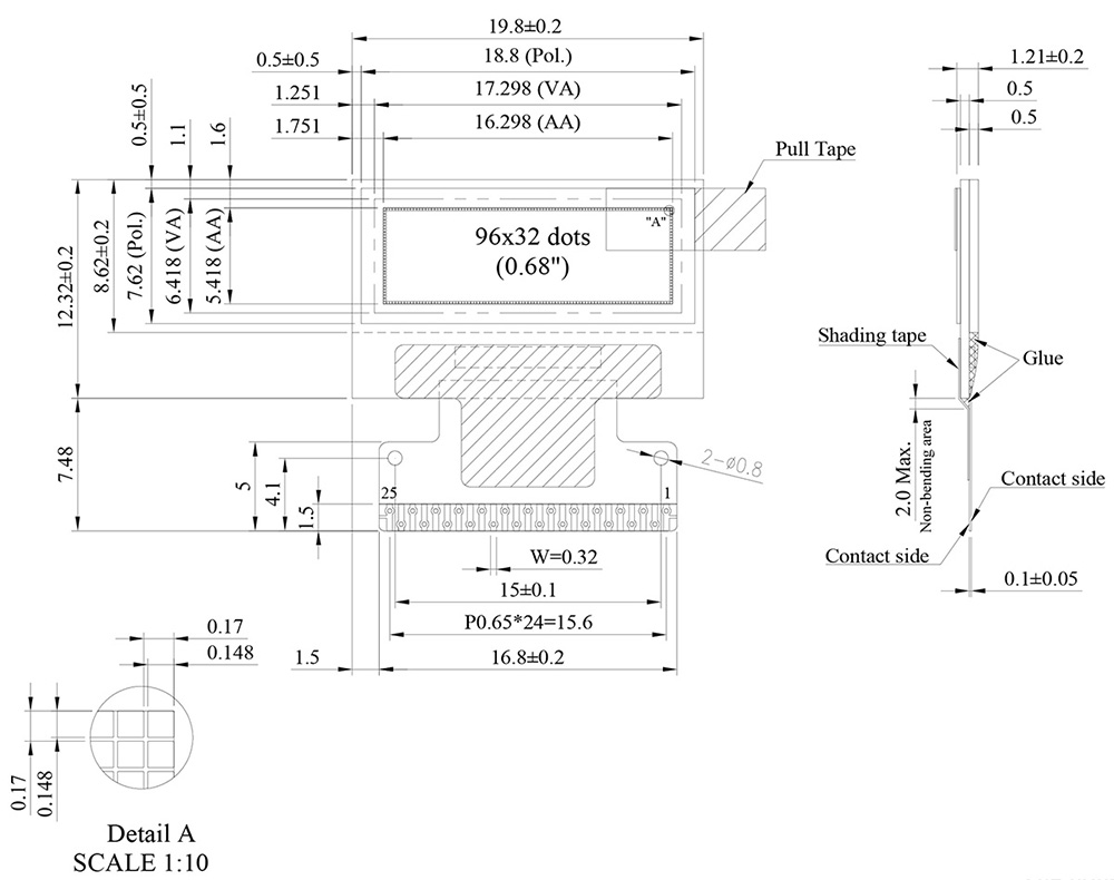
| WEO009632B-Hotbar | Измерения |
|---|---|
| Разрешение | 96 x 32 точек |
| Габариты | 19.80 x 12.32 x 1.21 mm |
| Активная область | 16.298 x 5.418 mm |
| Размер пикселя | 0.148 x 0.148 mm |
| Шаг пикселя | 0.17 x 0.17 mm |
| Матрица | Пассивная OLED |
| Цвет дисплея | Желтый / Белый |
| Рабочий цикл | 1/32 Duty |
| IC | SSD1305 |
| Интерфейс | 6800, 8080, SPI, I2C |
| Диагональ | 0.68 дюйма |
