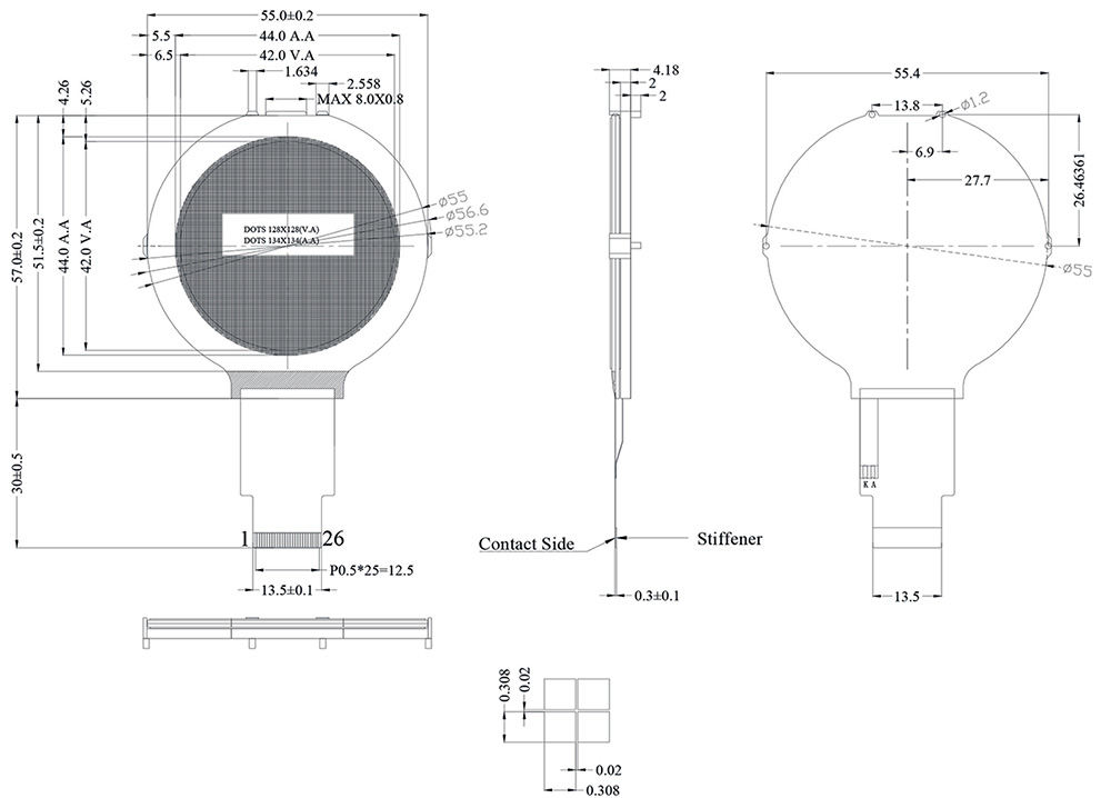
WO128128A дисплеи – это монохромный круглый графический COG STN дисплеи с разрешением 128x128 пикселей. Габариты модуля WO128128A составляют 55.0 x 57.0 x 6.18 mm и Активной Областью в 44.0 x 44.0 mm. Данный дисплей имеет встроенный ST75161 контроллер IC c поддержкой интерфейсов: параллельного 6800/8080 8-Бит, I2C и 3-х/4-х жильного SPI интерфейса. Направление обзора у дисплея 06:00, 1/136 рабочий цикл, 1/12 BIAS.
Напряжение питания дисплея 2.7~3.3V (типичное значение 3V) Рабочая температура модуля: -20℃ до +70℃, с температурой хранения -30℃ to +80℃. В настоящее время WO128128A доступен в варианте «негативный FSTN с двойной пленкой, а так же в варианте «позитивный FSTN» с белой LED подсветкой.
| WO128128A | Измерения |
|---|---|
| Разрешение | 128 x 128 |
| Габариты | 55.0 x 57.0 x 6.18 mm |
| Видимая область | 42.0 x 42.0 mm |
| Активная область | 44.0 x 44.0 mm |
| Размер пикселя | 0.308 x 0.308 mm |
| Шаг пикселя | 0.310 x 0.310 mm |
| Тип LCD | WO128128A-TFH#: FSTN Positive Transflective |
| WO128128A-TDI#: FSTN Negative (Double film) Transmissive |
|
| Рабочий цикл | 1/136 DUTY, 1/12 BIAS |
| Угол обзора | на 6 часов |
| Тип подсветки | LED Белый |
| IC | ST75161 |
