
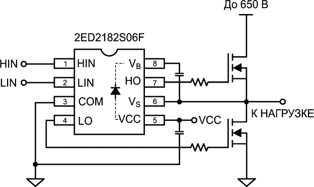
Компания Infineon Technologies сообщила об очередном расширении ассортимента микросхем EiceDRIVER 650-вольтовыми драйверами затворов полумостов, уникальная технология которых основана на технологии КНИ (кремний на изоляторе). Продукты с интегрированными бутстрепными диодами способны обеспечить лучшую в отрасли защиту от отрицательных выбросов напряжения, а так же превосходную устойчивость к защелкиванию в схемах инверторов на основе MOSFET и IGBT. Весь этот уникальный набор способностей дает возможность создавать более надежные конструкции при меньшей стоимости компонентов. Сильноточное семейство 2ED218x рассчитано на высокочастотные приложения, такие как индукционные плиты, компрессоры кондиционеров, импульсные источники питания и ИБП.

Семейство приборов 2ED210x с низкими выходными токами предназначено для бытовой техники, электроинструментов, приводов двигателей, вентиляторов и насосов. Максимальный ток на выходе микросхемы семейства 2ED218x составляет 2.5 А, а семейства 2ED210x 0.7 А. Предлагаются варианты с функцией отключения и раздельными выводами логической и силовой земли. Большой запас прочности и высокую надежность работы достигается за счет способности узла VS выдерживать отрицательные 100-вольтовые повторяющиеся импульсы шириной 300 нс. Безопасность работы дополнительно гарантируется встроенными схемами защиты от сквозных токов и независимой блокировкой при пониженном напряжении питания верхнего и нижнего плеча драйвера.